产品
k8凯发电竞焊接/搬运专家
始于焊接,不止于焊接
始于焊接,不止于焊接
使用高速电机,并做软件优化,整体节拍比上一代快20%。
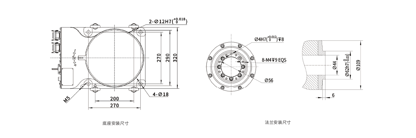
更轻量化,小臂尺寸更小,可达性更好。
高防护:J1、J2轴加装防尘罩,同时使用全包围焊枪。
J4、J6轴中空结构,可使用中空焊枪。
内置用户线、气管、焊接电缆,通体流畅,外观整洁。


